落下型熱量計(Drop Calorimeter)

dc1.jpg
測定物性メルト,ガラス,結晶の比熱(熱容量),結晶の融解熱,ガラス転移温度
温度範囲600-1630℃
雰囲気Arガス
測定精度相対エンタルピー ±0.5%,比熱 ±1%
設計・製作菅原 透
履歴2005年完成(岡山大),2006年検出器改良,2007年滋賀県大移設,2012年秋田大移設
設置場所総合環境理工学部5号館 224室

 測定原理
 上部の加熱炉と下部の恒温壁型熱量計から構成されています.測定前に熱量計の内部にドライアイスで氷を生成させ,その後0℃に保持します.加熱炉で加熱保持した試料を真下の熱量計に投入すると氷が融解し,熱量計内部の体積が減少して外から内部に水銀を吸い込む仕組みになっています.試料の熱量(J)は水銀の質量変化(g)に比例し,その比例係数は氷の融解熱,0℃の水銀と氷,水の密度から求まる物理定数です(240 J/g)。
 温度を変化させてエンタルピーを測定し,その結果を温度で微分することで比熱が求まります.ガラス化しない試料の場合(例えばFayaliteやAl2O3)であれば融解熱も測定できます.ガラス化する試料では相対エンタルピーの温度変化の傾きの不連続からガラス転移温度も求まります.


 
dc2.jpg

 熱量検出器
 放熱板付きの投入管とフランジはそれぞれ銅の丸棒から削り出しで形成されており,ハンダで接合してあります.ガラスの二重容器の内側には脱泡した蒸留水と水銀が充填されており,水銀で埋められたガラス管が挿入されています.検出器の上方には加熱炉からの輻射を遮断するためのシャッターが二ヶ所に取り付けてあります.測定時には投入管の末端をドライアイスで冷やして放熱板に氷を形成させます.
 水銀の満たされたガラス管が三重に取り囲んでいるのは,熱量計の中に取り込まれる水銀を0℃でプレクーリングするためです.投入管とシャッターはすべて真空シール構造で真空引きとガス置換が可能です.熱量計内部の結露を防ぐ目的で,測定はAr雰囲気で行います.

 
dc3.jpg

 検出器の図面

 
dc9.jpg

 水銀充填装置
  熱量計に用いる蒸留水は溶存ガスを十分に脱泡する必要があります.また水銀の充填時は気泡を巻き込みやすく,銅に付着するとアマルガムになってしまうため注意が必要です.それらの作業を確実にできるように専用の充填装置を製作して用いています.充填作業は基本的には移設時のみで,水と水銀を一旦組み込めば熱量計の検出器はそのまま永久に使用できます.

 
dc4.jpg

 サーモスタット
 測定時は熱量計を外界と熱的に遮断するために,氷浴(サーモスタット)に浸します.

 
dc5.jpg

 氷熱量計の冷却管
 氷を形成させるための銅製の冷却管です.冷却管の構造の微妙な違いで氷のでき方も異なり,実験により使い分けています.

 
dc6.jpg

 電子天秤
 水銀で満たされたガラス管は分析天秤に乗せられた水銀入りのビーカーに接続しています.水銀水位の変化で浮力が変わらないように,先端はキャピラリーチューブになっています.天秤はパソコンにRS-232Cで接続されており,測定中の重量変化をリアルタイムで計測・記録します.

 
dc7.jpg

 加熱炉
熱量計上部の加熱炉です.シリコニット製の既製品加熱炉を改造し,棒状のLaCr2O4発熱体(ケラマックス)に交換してあります.ケラマックスはSiCと比較してより高温(〜1800℃)の加熱が可能で,適切に使用すれば劣化も少なく長く使用することができます.この加熱炉はガス混合による雰囲気制御ができるので,熱量測定の他に相平衡実験などにも用いています.

 
dc14.jpg

 加熱炉の制御パネル

 
dc8.jpg

 試料を入れる白金ルツボ
 試料は長さ3cmのテーパー形状の白金ツルボに入れ,写真のように直径0.2-0.3mmの白金線で加熱炉の中央に吊るします.試料は加熱から15分以内に均一温度となります.その後,吊線に30V程度の電圧を加えて白金線を溶断してルツボは真下の熱量計に落下させます.

 
dcfig2.jpg

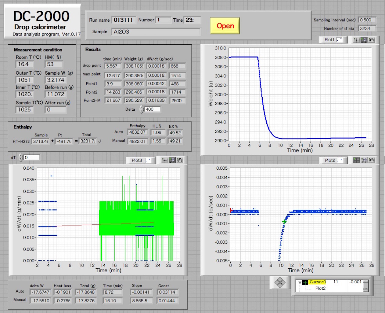
 データ解析プログラム
 試料を落下させることで熱量計内部の氷が融解して体積が収縮し,それを埋め合わせる量の水銀をビーカーから吸い上げて減量している様子が測定されています.測定前の氷の形成も含めて一回の測定は40〜50分程度で完了します.

 
dcfig3.jpg

  アノーサイトメルト(50SiO2-25Al2O3-25CaO, mol%)の測定例
 Richet and Botting (1984a)と比較してメルトの相対エンタルピーがやや高いのは,測定試料の量の違いに起因するガラスの仮想温度の差によるものです.測定から得られる熱容量(エンタルピープロットの傾き)はRichet and Botting (1984a)とよく一致しています.

 
 

熱量計制作の様子

 
dc_make_001.JPG

落下型熱量計の部品は岡山大学工学部 工作センターにて製作しました.

 
dc_make_002.JPG

旋盤用の各種バイト

 
dc_make_003.JPG

切削前の熱量計チューブ

 
dc_make_004.JPG

熱量計の放熱板は銅の丸棒から切削加工で作りました.

 
dc_make_005.JPG

放熱チューブの底蓋はネジ止めしたのちハンダで固定します.

 
dc_make_006.JPG

フランジを切削しているところです.

 
dc_make_007.JPG

フライス盤でネジ穴を開けます.

 
dc_make_008.JPG

完成した銅製フランジ部品

 
dc_make_009.JPG

シャッター部品のO-ring溝を切削しているところです.

 
dc_make_010.JPG

フライス盤のコントローラー

 
dc_make_011.JPG

コンフラットフランジとガスケットも自作しました.

 
dc_make_012.JPG

パーツを組み立ててハンダで接合しているところです.

 
dc_make_013.JPG

熱量計の冷却チューブの部品です.

 
dc_make_014.JPG

ガラス管を支えるアルミ板の切削

 
dc_make_015.JPG

小さな部品もすべて手作りです.

 
dc_make_016.JPG

完成した部品

 
dc_make_017.JPG

熱量計を組み立てたところ

 
dc_make_018.JPG

ガラス部品はたくさん作って,最もフィットする形のものを選びます.

 
dc_make_019.JPG

水銀封入装置も作りました.

 
dc_make_020.JPG

完成した落下型熱量計

 

トップ   新規 一覧 検索 最終更新   ヘルプ   最終更新のRSS